L61510M-17 长波红外镜头8-12μm
型号
L61510M-17
焦距
15mm
光圈值
F1.0
波段
8-12μm
探测器
640×480;17μm
视场角(水平~垂直)
42°x32°
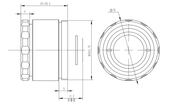
外形尺寸
φ43×37.4mm
重量
52g