L60810M-17 长波红外镜头8-12μm
型号
L60810M-17
焦距
8mm
光圈值
F1.0
波段
8-12μm
探测器
640×480;17μm
视场角(水平~垂直)
83.5°x60°
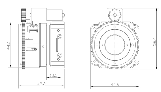
外形尺寸
φ42×42.2mm
重量
133g